粉体行业在线展览

产品

产品>

粉碎设备>

研磨机

>LSM大型立式湿法搅拌研磨机

LSM大型立式湿法搅拌研磨机

LSM大型

直接联系

昆山强迪粉碎设备有限公司.

产品规格型号
参考报价:

面议

品牌:

昆山强迪

型号:

LSM大型

关注度:

3991

范围(量程或细度):

--

产品介绍


特点

1、LSM湿法搅拌磨综合吸收了研磨、砂磨、塔磨等设备特点,具有效率高、噪声低、处理能力大、操作维修方便等优点。

2、当给料粒度为325目时,经二次研磨可达-2μm95%以上(平均粒径0.6um以下)。

3、可超细研磨,又可得到流动状态**的浆状物。

4、磨机简体磨盘采用耐磨材料及高硬度耐磨合金材料,设备使用寿命长。

5、使用的磨机介质耐磨、粒径大小配比科学,在研磨过程中无铁质污染,不影响产品白度。

6、使用一台湿法搅拌磨可连续作业,独立完成一-种产品的研磨,也可通过反复循环进料完成两种或以上产品的研磨。


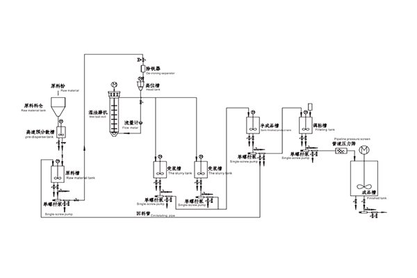
工艺流程图

以下工艺仅供参考,具体可根据用户细度和产能要求进行设计。

(1)单台湿法磨循环磨流程图

(2).两台磨机串联流程图

(3).两台磨机并联流程图


产品咨询

LSM大型立式湿法搅拌研磨机

LSM大型

昆山强迪粉碎设备有限公司.

请填写您的姓名:*

请填写您的电话:*

请填写您的邮箱:*

请填写您的单位/公司名称:*

请提出您的问题:*

您需要的服务:

发送

中国粉体网保护您的隐私权:请参阅 我们的保密政策 来了解您数据的处理以及您这方面享有的权利。 您继续访问我们的网站,表明您接受 我们的使用条款

LSM大型立式湿法搅拌研磨机 - 3991
昆山强迪粉碎设备有限公司. 的其他产品

FLOW

研磨机
相关搜索
关于我们
联系我们
成为参展商

© 2026 版权所有 - 京ICP证050428号