粉体行业在线展览
第三代中温中压减温减压装置
面议
良盛
第三代中温中压减温减压装置
1976
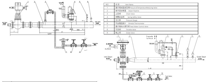
第三代中温中压减温减压装置第三代 WY 系列减温减压装置是本公司积累多年设计,制造经验,并吸取国外先进产品结构,经技术优化设计而成的减温减压装置,。第三代 WY 系列减温减压装置由减压系统(減温减压阀,节流孔板等)、减温系统(高压差给水调节阀,节流阀等)、 安全保护装置(安全阀,止回阀)等组成,主要特点和性能指标如下1.采用减温减压阀,使整套装置的长度大大缩短,减少了占地面积,降低了工程投资。2.减温减压阀内设有节流网罩,增强了减温水的雾化效果,保护了阀座及阀体,延长了阀门的使用寿命,同时也降低了装置的噪音。3.温度调节系统采用高压差给水调节阀,既减小了阀门的泄漏量,也省去了装置传统结构中给水分配阀的回水支路,方便了装置的布局。4.同一口径的高压差给水调节阀由不同的流量系数 KV 值可供选择,使温度调节系统的调节灵敏度及精确度大大提高。5.减温减压阀、给水调节阀配用直行程执行机构,去除了传统的杠杆铰链机构,减少了中间环节的空行程,进一步提高了调节系统的灵敏度及精确度.。6.减温减压阀、给水调节阀配用气动薄膜式执行机构,满足了特殊用户的需要,具有充分利用能源的优点7.进口蒸汽压力:P1≤3.82MPa,进口蒸汽温度:T1≤450℃℃。
8.出口蒸汽压力 P2:出口蒸汽压力 P2 的调节精确度不低于 2.5 级。9.出口蒸汽温度 T2:出口蒸汽温度 T2 的调节精确度不低于 2.5 级
