粉体行业在线展览

产品

产品>

粉碎设备>

球磨机

>改性生产线

改性生产线

直接联系

潍坊市友信粉体设备有限公司

潍坊

产品规格型号
参考报价:

面议

关注度:

4958

应用行业:

碳酸钙(方解石、大理石、石灰石、白垩)、石英、锆石、长石、重晶石、高岭土、白云石、菱镁石、氧化铝、超细水泥、矿渣、钢渣等。

产品介绍

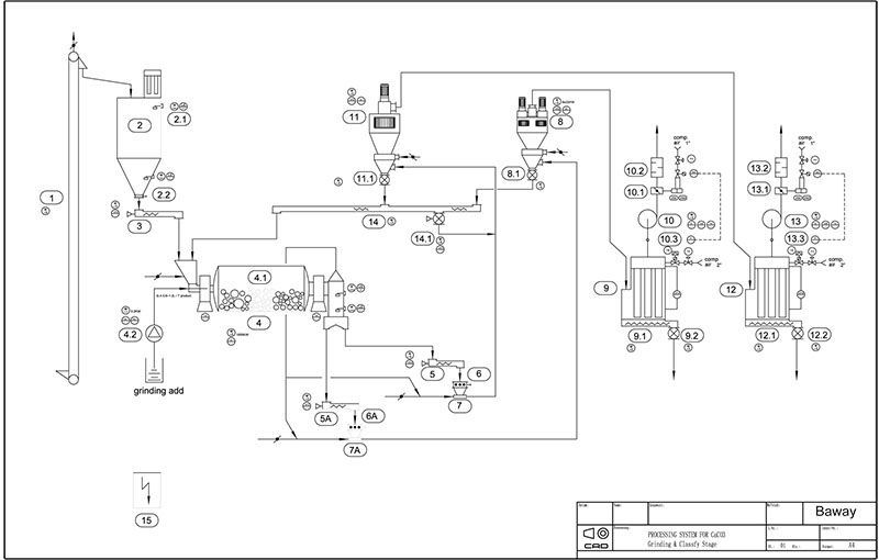
物料经粗破后,由提升机输送到料仓内,经可控加料装置加入球磨机,磨机内的研磨介质凭借磨机旋转时所获得的动能对物料进行反复的冲击、研磨粉碎,粉碎后的物料经球磨机尾部排到吸气罐内,由负压输送到分级机内部进行分级,合格的细粉由旋风收集器或除尘器收集,经过分级后的粗颗粒由分级机的下端排出,经输料管重新进入球磨机进行粉碎,净化后的气体由引风机排出。

性能特点:

● 工艺直接源自于德国技术,是国际标准的非矿加工生产线。

● 工艺流程主要包括破碎(一般采用两段破碎)、研磨、分级、包装、料仓、输送、提升等。球磨机后可接多台分级机并联分级,也可接多台串联分级,同时生产多个粒度号的产品。球磨机与分级机组成一个闭路循环系统。

● 球磨机的选配根据矿物的硬度、可磨性、加工粒度和产量采用非标设计,衬板形状和球(段)级配根据多年工程实践经验量身订制,**程度的提高球磨机的研磨效率,降低产品能耗。

● 分级机的选配可根据产品的不同细度选择不同的机型,FW系列分级机可适应于D97:2~20微米产品的分级,FL系列分级机可适应于D97: 8~45微米产品的分级,每台分级机都具有很宽的产品调节范围,市场适应范围广。

● 当一条生产线同时生产多个品种时,我们可对多台分级机串联使用,通过粗细分级机的优化组合,确保产品的能耗*低,粒度分布调整*方向, 球磨机的过磨现象*低。

● 我们可根据客户的投资规模,设计采用不同的厂房结构及设备布置方案,提供性价比**的配置系统,如年产2万吨以下的规模设备布置多采用单层厂房平面布置,输送系统采用螺旋输送,包装可采用人工包装,2万吨以上的规模设备布置采用多层厂房立体布置,输送系统采用气力输送,包装采用自动包装及配备码垛系统。

● 环保方面我们采用特殊设计,通过消音装置,设备的减振和部分软连接,使噪音小于80Db(A),通过使用高质量的覆膜滤袋过滤,粉尘排放量小于20mg/m3。

● 电控系统采用程序控制,控制整个生产流程,从进料料仓、研磨分级,直到产品包装。

● 我们可为客户提供附加服务,如选矿、改性、造粒、老生产线的改造升级等,通过向产品两端的延展,保证用户利益的**化。 

球磨分级工艺流程图:




球磨机设计特点:

●设计与传统水泥磨及矿冶等用磨不同,符合德国超细填料级矿物加工要求 

●优化长径比,以防止过研磨,达到**研磨效果  

●篦板式磨尾出料,出料顺畅,无涨磨现象,筒体无须冷却 

●优化衬板和研磨介质形状和材质,按德国要求制作,减少破损率,提高研磨效率 

●硬矿物可采用无铁污染设计,衬板和研磨体采用氧化铝陶瓷、石英、SILEX或特殊材料

●研磨介质按产品要求合理配比,高填充率,高效率 

●研磨超细粉体时添加研磨助剂,提高研磨效率

●优化驱动器和研磨能耗的匹配,**限度地节市能耗 

●和分级机形成封闭系统,负压输送,无粉尘

 

 

分级机设计特点:(具体技术指标详见分级机产品介绍)

●选用高速涡轮式分级机,以保证更广的粒度调整范围 

●按德国要求设计,精确的流程控制确保**的顶点切割 

●可调节冲洗气流,提高分级效率 

●物料直接进入分级区不被分级后的粗粉混染 

●优化转子设计,达到低能耗

●分级转子可采用陶瓷转子或合金转子 

●可通过分级机的不同排列调节产品的粒度分布,满足不同产品的技术要求



应用范围: 

   碳酸钙(方解石、大理石、石灰石、白垩)、石英、锆石、长石、重晶石、高岭土、白云石、菱镁石、氧化铝、超细水泥、矿渣、钢渣等。




 

技术参数:

球磨机尺寸size of ball mill 
 参数Parameters

Ø1.83X4.5mØ2.2X4.8mØ2.4X5.0mØ2.6X5.5mØ2.8X6mØ3.0X6.5m
电机功率motor power   kw75/90132/160185/200220/250315/355400/500
D97:45um分级机型号 
classifier model
FL300FL360FL500FL550FL600FL750
石英产量 t/h 
Quartz production
1.0~1.11.6~1.82.5~33.5~4.04.0~4.55.5~6.0
锆英砂产量 t/h 
Zircon sand production
1.1~1.31.8~2.03.0~3.54.0~4.54.5~5.06.0~6.5
D97:10um分级机型号 
classifier model
FW315FW 400FW 500FW 315/4FW 315/6FW 315/6
石英产量 t/h 
Quartz production
0.15~0.20.3~0.350.5~0.550.6~0.70.8~0.91.0~1.2
D50:1-1.5um分级机型号 
classifier model
FW 315FW 315/3FW 315/3FW 315/4FW 315/6FW 315/6
锆英砂产量 t/h 
Zircon sand production
0.1~0.150.25~0.30.35~0.40.4~0.50.6~0.7


产品咨询

改性生产线

潍坊市友信粉体设备有限公司

请填写您的姓名:*

请填写您的电话:*

请填写您的邮箱:*

请填写您的单位/公司名称:*

请提出您的问题:*

您需要的服务:

发送

中国粉体网保护您的隐私权:请参阅 我们的保密政策 来了解您数据的处理以及您这方面享有的权利。 您继续访问我们的网站,表明您接受 我们的使用条款

改性生产线 - 4958
潍坊市友信粉体设备有限公司 的其他产品

FLOW

球磨机
相关搜索
关于我们
联系我们
成为参展商

© 2026 版权所有 - 京ICP证050428号