粉体行业在线展览

产品

产品>

输送设备>

气力输送设备

>高压气力输送系统

高压气力输送系统

直接联系

章丘丰源机械有限公司.

山东

产品规格型号
参考报价:

面议

关注度:

4962

产品介绍

高压供料器压送气力输送系统特点
本系统是以双极罗茨鼓风机或空气压缩机为气源,产生高压气体,连续压送物料的一种气力输送系统。该系统适用于从一处向多处进行分散输送,具有压力高,密封可靠,对物料起到烘干和分级的作用。适宜中长距离输送,输送比重较大。

高压供料器压送气力输送系统参数

项目输送方式输送量输送压输送管径输送高度输送距离
参数连续中低压压送0.1-5098.0-30050-20020-4050-300


密相高压气力输送工作原理

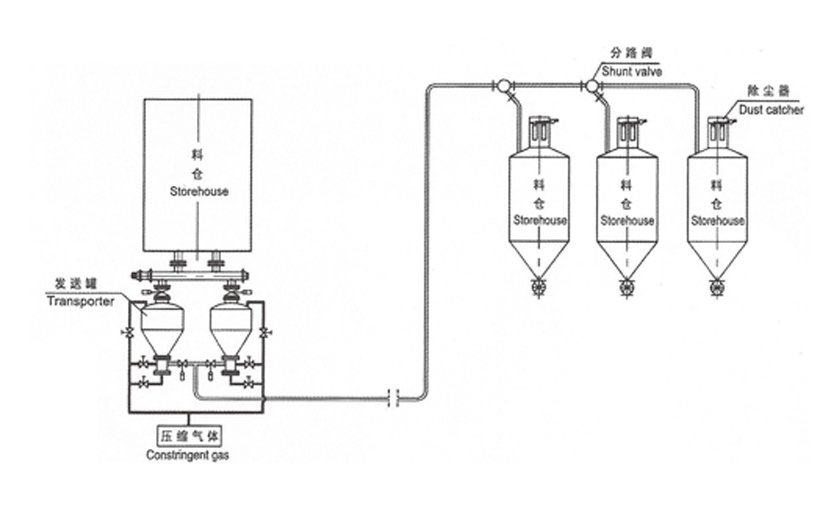
1、螺杆式空气压缩机 2、冷冻干燥机   3、储气罐           4、输气管道 

5、排料装置               6、手动插板阀   7、电动卸料阀    8、发送罐

9、管道                     10、低料位计     11、高料位计      12、料仓

13、袋式过滤器         14、引风机        15、PLC控制箱   16、增压器
 

密相高压气力输送系统特点:

该系统具有流速低、耗气量小,适宜长距离,大容量的输送,对于透气性好的物料 ,便于实现流态化输送。具有噪音低、破碎少的特点,适合输送水泥、粉煤灰、铸造型砂等磨削性较大的物料。
 

密相高压气力输送系统参数

项目输送方式输送量输送压输送管径输送高度输送距离
参数连续中低压压送0.1-100100-60050-20040-200<1000


密相高压气力输送系统流程


丰源机械是中国分体处理和气力输送系统专业技术公司,高新技术企业,公司具有国内一流的CAD设计中心,依托国际国内知名高校科研院现金的气力输送工程技术在粉体工程、气力输送、科研开发和工程承接方面处于国内**水平!

本公司根据客户需求,为客户提供:项目可行性分析,项目论证,单机选型,设备性能测试、科性测试、设备安装调试,人员培训,为用户提供气源、供料设备、分离除尘设备、电控及PLC+PC控制等全套气力输送系统交钥匙工程。


产品咨询

高压气力输送系统

章丘丰源机械有限公司.

请填写您的姓名:*

请填写您的电话:*

请填写您的邮箱:*

请填写您的单位/公司名称:*

请提出您的问题:*

您需要的服务:

发送

中国粉体网保护您的隐私权:请参阅 我们的保密政策 来了解您数据的处理以及您这方面享有的权利。 您继续访问我们的网站,表明您接受 我们的使用条款

高压气力输送系统 - 4962
章丘丰源机械有限公司. 的其他产品

FLOW

气力输送设备
相关搜索
关于我们
联系我们
成为参展商

© 2026 版权所有 - 京ICP证050428号