粉体行业在线展览

产品

产品>

分析仪器设备>

>高压液环压缩机

高压液环压缩机

高压液环压缩机

直接联系

烟台沃尔姆真空技术有限公司

山东

产品规格型号
参考报价:

面议

品牌:

沃尔姆

型号:

高压液环压缩机

关注度:

1053

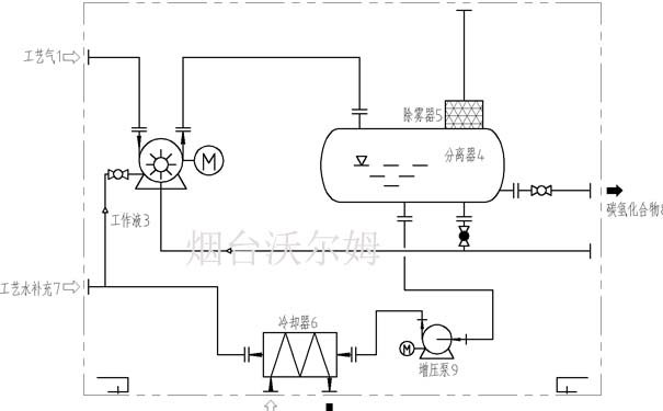
产品介绍

高压液环压缩机特点

1、HPM压缩机系列具有大气量,坚固的结构,并符合API 681标准。
2、当水与工艺气体有新的化学反应时,可以使用其他密封液。
3、在苛刻的石油和天然气应用中,HPM压缩机具有从气流中洗涤酸性气体(H2S)的能力。
4、HPM压缩机属于单级双作用液环压缩机,具有处理含有颗粒物工况的能力,可以减少工艺问题,从而增加了正常运行的时间,并且只需很少的维护。


设备性能:
吸气量:700~4200m³/h;
排气压力:<0.8MPa(G);
密封方式:机械密封(单端面/双端面);
材质:不锈钢


产品咨询

高压液环压缩机

高压液环压缩机

烟台沃尔姆真空技术有限公司

请填写您的姓名:*

请填写您的电话:*

请填写您的邮箱:*

请填写您的单位/公司名称:*

请提出您的问题:*

您需要的服务:

发送

中国粉体网保护您的隐私权:请参阅 我们的保密政策 来了解您数据的处理以及您这方面享有的权利。 您继续访问我们的网站,表明您接受 我们的使用条款

高压液环压缩机 - 1053
烟台沃尔姆真空技术有限公司 的其他产品

FLOW

相关搜索
关于我们
联系我们
成为参展商

© 2025 版权所有 - 京ICP证050428号