粉体行业在线展览
790
1万元以下
DOMEL
790
2909
790.3.220-401
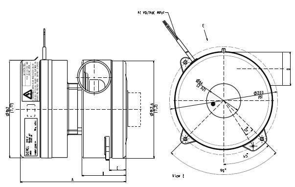
技术参数:
**工作压力 22.51KPa
**流速 91 L/S
外形尺寸(长/宽/高) 229×205×183mm
电压 230V 50HZ(DC340V两用)
**工作功率 1800W
无刷电机的控制板是内置式
进气口直径:58mm
出气口直径:52mm


790
欧洲进口Domel高负压无刷风机792
欧洲进口Domel高负压无刷风机795
467.3.225
498.3.205-4
496.3.330
463.3.403-13
463.3.203.23
440.3.208
792.3.265-841
728
729