粉体行业在线展览
欧洲进口Domel高负压无刷风机795
1万元以下
DOMEL
欧洲进口Domel高负压无刷风机795
2275
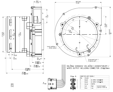
型号:793.3.275
技术参数:
**真空度:9.6/-10.4KPa
**压力:10.5/10.7KPa
**流速:5412 /5526 l/min
外形尺寸(长/宽/高):187.7×203.2×151.1mm
电压:120/230V
**工作功率:1000/900W
重量:3kg
可能应用:
(1)纸张处理
(2)排烟
(3)包装设备
(4)锅炉
(5)加热器
曲线图:

尺寸图:


790
欧洲进口Domel高负压无刷风机792
欧洲进口Domel高负压无刷风机795
467.3.225
498.3.205-4
496.3.330
463.3.403-13
463.3.203.23
440.3.208
792.3.265-841
728
729